
|
|
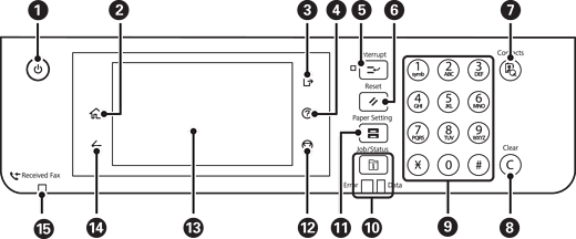
Ieslēdz vai izslēdz printeri. Atvienojiet strāvas vadu, kad elektropadeves lampiņa ir izslēgta. |
|
|
Tiek parādīts sākuma ekrāns. |
|
|
Atsakās no printera, kad ir iespējots Piekļuves vadība. Kad ir atspējots Piekļuves vadība, arī šī iespēja ir atspējota. |
|
|
Tiek parādīts ekrāns Palīdzība. Šeit var meklēt problēmu risinājumus. |
|
|
Tiek pauzēts pašreizējais darbs, un varat pārtraukt citu darbu. Nospiediet šo pogu vēlreiz, lai restartētu pauzēto darbu. |
|
|
Atiestata pašreizējos iestatījumus uz lietotāja noklusējuma iestatījumiem. Ja nav iestatīti lietotāja noklusējuma iestatījumi, atiestata uz rūpnīcas noklusējuma iestatījumiem. |
|
|
Parāda sarakstu Kontakti. Kontaktpersonas var reģistrēt, rediģēt vai dzēst. |
|
|
Notīra tādus skaitļu iestatījumus kā kopiju skaits. |
|
|
Ievada ciparus, rakstzīmes un simbolus. |
|
|
Parāda izvēlni Job/Status. Varat skatīt printera statusu un darbu vēsturi. Kļūdas lampiņa kreisajā pusē mirgo vai ieslēdzas, ja rodas kļūda. Datu gaismiņa labajā pusē mirgo, ja printeris apstrādā datus. Tā ieslēdzas, ja rindā ir ievietoti darbi. |
|
|
Tiek parādīts ekrāns Papīra iestatījums. Varat atlasīt papīra izmēra un papīra veida iestatījumus katram papīra avotam. |
|
|
Aptur pašreizējo darbību. |
|
|
Parāda izvēlnes un ziņojumus. Jūs varat mainīt vadības paneļa leņķi. Ja noteiktā laika periodā netiek veiktas nekādas darbības, printeris ieslēdz miega režīmu un displejs izslēdzas. Pieskarieties jebkurā skārienekrāna vietā, lai ieslēgtu displeju. Atkarībā no pašreizējiem iestatījumiem, nospiežot vadības paneļa pogas, printeris tiek aktivizēts no miega režīma. |
|
|
Atgriežas iepriekšējā ekrānā. |
|
|
Ieslēdzas, ja printera atmiņā tiek saglabāti saņemtie dokumenti, kas vēl nav izlasīti, izdrukāti vai saglabāti. |