|
|
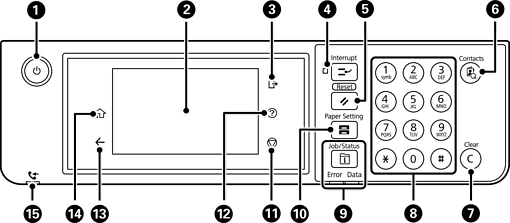
Uključivanje ili isključivanje pisača. Iskopčajte kabel za napajanje kada lampica napajanja prestane svijetliti. |
|
|
Prikazuje stavke postavki i poruke. Kad se kroz određeno vremensko razdoblje ne obavljaju radnje, pisač ulazi u stanje mirovanja i zaslon se gasi. Dodirnite bilo gdje na zaslonu kako biste ga uključili. Ovisno o trenutnim postavkama, pritiskom gumba na upravljačkoj ploči aktivirat će se pisač iz stanja mirovanja. |
|
|
Odjavite se s pisača kada se omogući Kontrola pristupa. Kada je onemogućen Kontrola pristupa, i to će biti onemogućeno. |
|
|
Pauzira trenutačni zadatak ispisa i omogućuje vam da prekinete druge zadatke koje je pisač već primio, prekinete radnje kopiranja i tako dalje. Međutim, ne možete prekinuti novi zadatak putem računala. Ponovno pritisnite gumb kako biste nastavili s ispisivanjem zaustavljenog zadataka. |
|
|
Služi za vraćanje trenutnih postavki na zadane vrijednosti. Ako nisu postavljene korisničke zadane postavke, vraća ih na tvorničke vrijednosti. |
|
|
Prikazuje popis Imenik. Možete registrirati, uređivati i brisati kontakte. |
|
|
Brisanje unesenog broja, na primjer broja kopija. |
|
|
Unosi brojke, znakove i simbole. |
|
|
Prikazuje izbornik Job/Status. Možete provjeriti stanje pisača i pregledati povijest zadataka. Lijeva signalna lampica svijetli ili treperi kada dođe do pogreške. Desna signalna lampica treperi kada pisač obrađuje podatke. Ona svijetli kada postoje zadatci na čekanju. |
|
|
Prikazuje zaslon Postavka papira. Možete odabrati veličinu papira i podesiti postavke vrste papira za pojedini izvor papira. |
|
|
Zaustavljanje trenutačne radnje. |
|
|
Prikazuje zaslon Pomoć. Odavde možete provjeriti rješenja problema. |
|
|
Povratak na prethodni zaslon. |
|
|
Prikaz početnog zaslona. |
|
|
Uključuje se ako primljeni dokumenti još nisu pročitani, ispisani, spremljeni ili pohranjeni u memoriju pisača. |