|
|
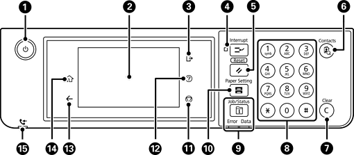
Consente di accendere o spegnere la stampante. Dopo aver verificato che la spia di alimentazione sia spenta, scollegare il cavo di alimentazione. |
|
|
Visualizza le voci di impostazione e i messaggi. In caso di inattività per un determinato periodo di tempo, la stampante entra in modalità di riposo e il display si spegne. Toccare un punto qualsiasi del touchscreen per accendere il display. A seconda delle impostazioni correnti, premendo i pulsanti sul pannello di controllo si riattiva la stampante dalla modalità di riposo. |
|
|
Consente di scollegarsi dalla stampante quando Controllo accesso è abilitato. Quando Controllo accesso è disabilitato, anche questa opzione è disabilitata. |
|
|
Consente di mettere in pausa il lavoro di stampa corrente e di interrompere altri lavori già ricevuti dalla stampante, operazioni di copia ecc. Tuttavia, non è possibile interrompere un nuovo lavoro dal computer. Per riprendere un lavoro interrotto, premere nuovamente il pulsante. |
|
|
Ripristina le impostazioni correnti alle impostazioni utente predefinite. Se le impostazioni utente predefinite non sono state eseguite, ripristina alle opzioni predefinite di fabbrica. |
|
|
Visualizza l’elenco Contatti. È possibile registrare, modificare o eliminare i contatti. |
|
|
Consente di azzerare le impostazioni numeriche, ad esempio il numero di copie. |
|
|
Inserisce numeri, caratteri e simboli. |
|
|
Visualizza il menu Job/Status. È possibile verificare lo stato della stampante e la cronologia lavori. Quando si verifica un errore, la spia a sinistra inizia a lampeggiare o si accende. La spia dei dati a destra inizia a lampeggiare quando è in corso l’elaborazione dati. In presenza di lavori in coda, la spia si accende. |
|
|
Visualizza la schermata Impostazione carta. È possibile configurare le impostazioni di formato e tipo di carta per ogni origine carta. |
|
|
Consente di interrompere l’operazione corrente. |
|
|
Visualizza la schermata Guida. Dove è possibile consultare le soluzioni ai problemi. |
|
|
Consente di tornare alla schermata precedente. |
|
|
Consente di visualizzare la schermata iniziale. |
|
|
Si accende quando nella memoria della stampante sono memorizzati documenti ricevuti non ancora letti, stampati o salvati. |