> Guia do Painel de Controlo > Painel de controlo

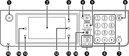
Painel de controlo

Liga ou desliga a impressora.

Desligue o cabo de alimentação após confirmar que o indicador luminoso de alimentação está desligado.

Exibe itens de configuração e mensagens.

Quando não forem realizadas operações por um período específico de tempo, a impressora entra no modo de hibernação e o ecrã desliga-se. Toque em qualquer lugar no ecrã tátil para ativar o ecrã. De acordo com as definições atuais, a impressora sairá do modo de hibernação ao pressionar os botões no painel de controlo.

Termina a sessão na impressora quando Controlo de acesso estiver ativado.

Quando Controlo de acesso estiver desativado, também é desativado.

Coloca a tarefa de impressão atual em pausa e permite-lhe interromper outros trabalhos que a impressora já tenha recebido, interromper operações de cópia, etc. No entanto, não pode interromper uma nova tarefa a partir do computador.

Prima novamente o botão para retomar uma tarefa em pausa.

Repõe as predefinições do utilizador para as definições atuais. Se não tiverem sido ajustadas predefinições do utilizador, repõe as predefinições do sistema.

Exibe a lista de Contac.. Pode registar, editar ou eliminar os contactos.

Anula as definições de números, como o número de cópias.

Introduz números, caracteres e símbolos.

Exibe o menu Job/Status. Pode verificar o estado da impressora e o histórico de tarefas.

O indicador luminoso de erro à esquerda pisca ou acende-se quando ocorre um erro.

O indicador luminoso de dados do lado direito pisca quando a impressora está a processar dados. Acende-se quando existem tarefas em fila.

Apresenta o ecrã Definição do papel. Pode selecionar o tamanho do papel e as definições do tipo de papel para cada origem do papel.

Para a operação atual.

Apresenta o ecrã Ajuda.

Pode procurar soluções para problemas a partir daqui.

Regressa ao ecrã anterior.

Apresenta o ecrã inicial.

Acende-se quando documentos recebidos que ainda não foram lidos, impressos ou guardados são guardados na memória da impressora.