
|
|
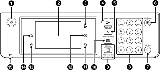
打开或关闭本产品电源。 请在确认电源指示灯熄灭后拔下电源线。 |
|
|
显示设置项和消息。 在一段时间内未执行任何操作时,本产品会进入睡眠模式,显示将关闭。点按触摸屏上的任何地方可打开显示。根据当前设置,按操作面板上的按钮会将打印机从睡眠模式中唤醒。 |
|
|
启用访问控制时,用于从打印机注销。 禁用访问控制时,该功能也被禁用。 |
|
|
暂停当前打印任务,以便中断本产品已接收的其他任务、中断复印操作等。但是,无法中断来自计算机的新任务。 再次按此按钮会重新启动暂停的任务。 |
|
|
将当前设置重置为用户缺省设置。如果还没有进行用户缺省设置,则重置为出厂缺省设置。 |
|
|
显示联系人列表。您可以注册、编辑或删除联系人。 |
|
|
清除份数等数字设置。 |
|
|
输入数字、字符或符号。 |
|
|
显示状态菜单。您可以检查本产品状态及任务历史。 发生错误时,左侧的错误指示灯会闪烁或亮起。 本产品处理数据时,右侧的数据指示灯会闪烁。本产品中含有排队任务时,该指示灯会亮起。 |
|
|
显示打印纸设置屏幕。可为每个打印纸来源选择打印纸尺寸和打印纸类型设置。 |
|
|
停止当前操作。 |
|
|
显示帮助屏幕。 可以在此屏幕中查看问题的解决方法。 |
|
|
返回到上一屏幕。 |
|
|
显示主屏幕。 |
|
|
如果收到文档,而该文档尚未被读取、打印或保存,则在将该文档存储在本产品内存中时亮起。 |