|
|
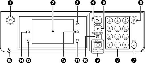
Vklopi ali izklopi tiskalnik. Napajalni kabel izključite, ko se prepričate, da je lučka napajanja izklopljena. |
|
|
Na njem so prikazani elementi nastavitev in sporočila. Če določen čas ne izvedete nobenega postopka, tiskalnik preklopi v način spanja, zaslon pa se izklopi. Tapnite kjer koli na zaslonu na dotik, da vklopite zaslon. S pritiskom gumbov na nadzorni plošči preklopite tiskalnik iz stanja spanja, kar je odvisno od trenutnih nastavitev. |
|
|
Izklopi tiskalnik, če je omogočena možnost Nadzor dostopa. Če je možnost Nadzor dostopa onemogočena, je ta tudi onemogočena. |
|
|
Začasno ustavi trenutno tiskalno opravilo in omogoča prekinitev drugih opravil, ki jih je tiskalnik že prejel, prekinitev postopkov kopiranja itd. Vendar pa novega opravila ne morete prekiniti v računalniku. Znova pritisnite ta gumb, če želite ponovno zagnati začasno ustavljeno opravilo. |
|
|
Ponastavi trenutne nastavitve na uporabniške privzete nastavitve. Če uporabniške privzete nastavitve niso določene, ponastavi na tovarniške privzete nastavitve. |
|
|
Prikaže seznam Stiki. Te stike lahko registrirate, urejate ali brišete. |
|
|
Počisti številske nastavitve, kot je število kopij. |
|
|
Vnese števila, znake in simbole. |
|
|
Prikaže meni Job/Status. Preverite lahko stanje tiskalnika in zgodovino opravil. Če pride do napake, lučka za napake na levi utripa ali pa neprekinjeno sveti. Ko tiskalnik obdeluje podatke, utripa lučka za podatke na desni. Če je v vrsti več opravil, lučka neprekinjeno sveti. |
|
|
Prikaže zaslon Nastavitve papirja. Izberete lahko nastavitve velikosti in vrste papirja za vsak posamezni vir papirja. |
|
|
Zaustavi postopek, ki je trenutno v teku. |
|
|
Prikaže zaslon Pomoč. Od tu lahko preverite rešitve za težave. |
|
|
Omogoča vrnitev na prejšnji zaslon. |
|
|
Prikaže začetni zaslon. |
|
|
Vklopi se, ko so v pomnilniku tiskalnika shranjeni prejeti dokumenti, ki še niso prebrani, natisnjeni ali shranjeni. |