|
|
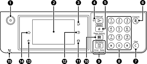
Увімкнення або вимкнення принтера. Витягніть кабель живлення, переконавшись, що індикатор живлення згас. |
|
|
Відображає елементи налаштування та повідомлення. Якщо операції не виконуються протягом певного часу, принтер переходить у режим сну та екран вимикається. Торкніться будь-якого місця екрана, щоб увімкнути його. Залежно від поточних налаштувань, натискання кнопок на панелі керування виводить принтер із режиму сну. |
|
|
Здійснює вихід з принтеру, коли ввімкнено Керування доступом. Якщо Керування доступом ввімкнено, ця функція також не працює. |
|
|
Призупиняє поточне завдання друку й дозволяє переривати інші завдання, які принтер вже отримав, переривати операції копіювання тощо. Проте, з комп’ютера нове завдання перервати не можна. Щоб відновити призупинене завдання, ще раз натисніть цю кнопку. |
|
|
Скиньте поточні налаштування до налаштувань користувача за замовчуванням. Якщо налаштування користувача не буде встановлено, буде виконано відновлення заводських налаштувань. |
|
|
Відображає список Конт.. Контакти можна реєструвати, редагувати або видаляти. |
|
|
Стирає всі цифрові налаштування, такі як кількість копій. |
|
|
Введення цифр, букв та символів. |
|
|
Відображає меню Job/Status. Можна перевірити стан принтера та історію завдань. У разі виникнення помилок зліва спалахує або вмикається індикатор помилок. При обробці даних принтером справа спалахує індикатор даних. Він вмикається, коли у черзі є завдання. |
|
|
Відображає екран Параметри паперу. Ви можете вибрати розмір паперу та тип паперу для кожного джерела паперу. |
|
|
Зупиняє поточну операцію. |
|
|
Відображає екран Допомога. Тут ви можете дізнатися, як усувати проблеми. |
|
|
Повертається до попереднього екрану. |
|
|
Відображає головний екран. |
|
|
Вмикається, коли у пам’яті принтера зберігаються отримані документи, які ще не були прочитані, роздруковані або збережені. |