|
|
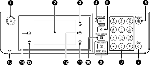
Bật hoặc tắt máy in. Rút phích cắm điện sau khi kiểm tra thấy đèn nguồn tắt. |
|
|
Hiển thị các mục cài đặt và thông báo. Khi không có hoạt động nào được thực hiện trong một khoảng thời gian cụ thể, máy in sẽ chuyển sang chế độ ngủ và màn hình sẽ tắt. Nhấn vào bất kỳ nơi nào trên màn hình cảm ứng để bật màn hình. Tùy vào cài đặt hiện tại, nhấn các nút trên bảng điều khiển sẽ khởi động lại máy in từ chế độ ngủ. |
|
|
Thoát đăng nhập khỏi máy in khi Kiểm soát truy cập bật. Khi Kiểm soát truy cập tắt, tùy chọn này cũng tắt. |
|
|
Tạm dừng lệnh in hiện tại và cho phép bạn làm gián đoạn các lệnh khác mà máy in đã nhận được, làm gián đoạn các hoạt động sao chụp, v.v. Tuy nhiên, bạn không thể dừng một lệnh mới từ máy tính. Bấm lại nút này để khởi động lại công việc vừa tạm dừng. |
|
|
Thiết lập lại các cài đặt hiện tại về cài đặt mặc định người dùng. Nếu chưa thực hiện các cài đặt mặc định người dùng, hãy đặt lại về giá trị mặc định gốc. |
|
|
Hiển thị danh sách Danh bạ. Bạn có thể đăng ký, chỉnh sửa hoặc xóa người liên hệ. |
|
|
Xóa hết các cài đặt số như số bản sao. |
|
|
Nhập số, ký tự và ký hiệu. |
|
|
Hiển thị menu CV/T.thái. Bạn có thể kiểm tra tình trạng và lịch sử công việc của máy in. Đèn báo lỗi ở bên trái nhấp nháy hoặc sáng lên khi xảy ra lỗi. Đèn dữ liệu ở bên phải nhấp nháy khi máy in đang xử lý dữ liệu. Đèn sáng lên khi có các công việc xếp chờ in. |
|
|
Hiển thị màn hình Cài đặt giấy. Bạn có thể chọn cài đặt khổ giấy và loại giấy cho từng nguồn giấy. |
|
|
Dừng thao tác hiện tại. |
|
|
Hiển thị màn hình Trợ giúp. Bạn có thể xem các giải pháp giải quyết sự cố từ đây. |
|
|
Quay lại màn hình trước. |
|
|
Hiển thị màn hình chính. |
|
|
Bật khi các tài liệu đã nhận — chưa được đọc, in hoặc lưu — được lưu trữ vào bộ nhớ máy in. |