|
|
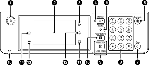
प्रिंटर चालू या बंद करता है। पावर लाइट बंद होने पर, पावर कॉर्ड अनप्लग करें। |
|
|
सेटिंग आइटम और संदेश प्रदर्शित करता है। विशिष्ट समय अवधि के लिए कोई परिचालन निष्पादित न होने पर, प्रिंटर स्लीप मोड में चला जाता है और प्रदर्शन बंद हो जाता है। डिस्प्ले चालू करने के लिए टच स्क्रीन पर कहीं भी टैप करें। वर्तमान सेटिंग्स के आधार पर, कंट्रोल पैनल पर बटन दबाने से प्रिंटर स्लीप मोड से जाग जाता है। |
|
|
जब पहुँच नियंत्रण सक्षम हो, तो यह प्रिंटर से लॉग ऑफ़ करता है। जब पहुँच नियंत्रण अक्षम हो, तो यह भी अक्षम हो जाता है। |
|
|
मौजूदा प्रिंट के कार्य को रोक देता है और आपको अन्य कार्यों में रुकावट डालने देता है, जो प्रिंटर को पहले ही मिल चुके हैं, कॉपी के ऑपरेशन में रुकावट डालता है, इत्यादि। हालांकि, आप कंप्यूटर से नए कार्य को नहीं रोक सकते। रूके हुए कार्य को पुनः आरंभ करने के लिए यह बटन दबाएं। |
|
|
वर्तमान सेटिंग्स को उपयोगकर्ता डिफ़ॉल्ट सेटिंग्स पर रीसेट करता है। यदि उपयोगकर्ता डिफ़ॉल्ट सेटिंग्स निर्धारित नहीं की गई हैं, तो फ़ैक्टरी डिफ़ॉल्ट पर रीसेट कर देता है। |
|
|
संपर्क सूची प्रदर्शित करता है। आप संपर्क रजिस्टर, संपादित या हटा सकते हैं। |
|
|
नंबर सेटिंग्स जैसे कि प्रतियों की संख्या को खाली कर देता है। |
|
|
संख्याओं, वर्णों और प्रतीकों को दर्ज करता है। |
|
|
कार्य स्थिति मेनू प्रदर्शित करता है। आप प्रिंटर की स्थिति और कार्य इतिहास जाँच सकते हैं। जब कोई त्रुटि घटित होती है तो बाएं मौजूद त्रुटि लाइट चमकने लगती है या जल जाती है। जब प्रिंटर डेटा संसाधित कर रहा होता है तो दाएं मौजूद डेटा लाइट चमकने लगती है। यह कार्यों के कतारबद्ध होने पर जल जाता है। |
|
|
कागज़ सेटिंग स्क्रीन प्रदर्शित करता है। आप प्रत्येक कागज़ स्रोत के लिए कागज़ आकार और कागज़ प्रकार सेटिंग्स का चयन कर सकते हैं। |
|
|
मौजूदा संचालन को रोकता है। |
|
|
मदद स्क्रीन प्रदर्शित करता है। आप यहां पर समस्याओं के समाधान की जांच कर सकते हैं। |
|
|
पिछली स्क्रीन पर लौटता है। |
|
|
होम स्क्रीन प्रदर्शित करता है। |
|
|
इसे तब चालू किया जाता है, जब ऐसे प्राप्त दस्तावेज़ प्रिंटर की मेमोरी में स्टोर हो जाते हैं, जिन्हें अभी तक पढ़ा नहीं गया हो, प्रिंट नहीं किया गया हो, सेव नहीं किया गया हो। |