|
|
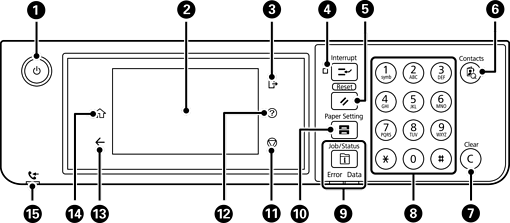
Huwasha na kuzima kichapishi. Chomoa waya ya nishati baada ya kuhakikisha kuwa taa ya nishati imezimwa. |
|
|
Huonyesha vipengee na ujumbe wa mpangilio. Wakati hakuna operesheni zinazotekelezwa kwa kipindi bainifu cha muda, kichapishi kinaingia modi ya kulala na onyesho linazima. Donoa mahali popote kwenye skrini mguso ili kuwasha onyesho. Kulingana na mipangilio ya sasa, kubonyeza vitufe vilivyo kwenye paneli dhibiti huamsha printa kutoka modi ya kulala. |
|
|
Huondoka kwenye kichapishi wakati Fikia Vidhibiti imewezeshwa. Wakati Fikia Vidhibiti imelemazwa, hii pia inalemazwa. |
|
|
Husitisha kazi ya sasa ya kuchapisha na kukuruhusu kukatiza kazi nyingine ambazo tayari zimepokewa kwa kichapishi, kukatiza operesheni za kunakili, na kadhalika. Hata hivyo, huwezi kukatiza kazi mpya kutoka kwenye kompyuta. Bonyeza kitufe hiki tena ili uanzishe kazi iliyositishwa. |
|
|
Huweka upya mipangilio ya sasa hadi mipangilio msingi ya mtumiaji. Ikiwa mipangilio msingi ya mtumiaji haijawekwa, huweka upya hadi mipangilio msingi ya kiwandani. |
|
|
Huonyesha orodha ya Waasiliani. Unaweza kusajili, kuhariri, au kufuta waasiliani. |
|
|
Hufuta mipangilio ya nambari kama vile idadi za nakala. |
|
|
Huingiza nambari, vibambo, na ishara. |
|
|
Huonyesha menyu ya Hali ya Kazi. Unaweza kukagua hali ya kichapishi na historia ya kazi. Mwangaza wa hitilafu upande wa kushoto humweka au huwaka wakati hitilafu inapotokea. Mwangaza wa data kwenye upande wa kulia humweka wakati printa inachakata data. Huwaka wakati kuna kazi kwenye foleni. |
|
|
Huonyesha skrini ya Mipangilio ya Karatasi. Unaweza kuteua mipangilio ya ukubwa wa karatasi na aina ya karatasi kwa kila chanzo cha karatasi. |
|
|
Husimamisha operesheni ya sasa. |
|
|
Huonyesha skrini ya Msaada. Unaweza kuangalia suluhisho za matatizo kutoka hapa. |
|
|
Hukurudisha kwenye skrini ya awali. |
|
|
Onyesha skrini ya mwanzo. |
|
|
Huwaka wakati hati zilizopokewa ambazo bado hazijasomwa, kuchapishwa, au kuhifadhiwa, zimehifadhiwa kwenye kumbukumbu ya printa. |