Netwerkservice en softwareinformatie
Toepassing voor het configureren van printerbewerkingen (Web Config)
Toepassing voor het scannen van documenten en afbeeldingen (Epson Scan 2)
Toepassing voor het configureren van faxbewerkingen en het verzenden van faxen (FAX Utility)
Toepassing voor het verzenden van faxen (stuurprogramma PC-FAX)
Toepassing voor het afdrukken van afbeeldingen (Epson Photo+)
Hulpprogramma's voor software-updates (EPSON Software Updater)
Toepassing voor het configureren van meerdere apparaten (EpsonNet Config)
Gekleurde streepvorming zichtbaar met een tussenafstand van ongeveer 2.5 cm
Onscherpe afdrukken, verticale strepen of verkeerde uitlijning
Vlekken op het papier bij automatisch dubbelzijdig afdrukken
Afbeeldingen of foto's worden afgedrukt met de verkeerde kleuren
Randen van de afbeelding vallen weg bij het randloos afdrukken
Op de gekopieerde afdruk verschijnen ongelijke kleuren, vegen, vlekken of rechte lijnen
Er verschijnt een webachtig patroon (ook wel "moiré" genoemd) op de gekopieerde afbeelding
De achterkant van het origineel is te zien op de gekopieerde afbeelding
Problemen met verzenden en ontvangen van faxen

|
|
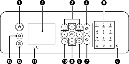
Hiermee schakelt u de printer in of uit. Haal het netsnoer uit het stopcontact nadat u hebt gecontroleerd of het aan/uit-lampje uit staat. |
|
|
Hiermee geeft u menu's en berichten weer. Gebruik de knoppen op het bedieningspaneel om een menu te selecteren of instellingen te configureren. |
|
|
Hiermee selecteert u het aantal pagina's dat u wilt afdrukken. |
|
|
Hiermee stopt u de actieve bewerking. |
|
|
Hiermee voert u getallen, tekens en symbolen in. |
|
|
Hiermee wist u instellingen voor aantallen, zoals het aantal exemplaren. |
|
|
Hiermee start u een taak, zoals afdrukken of kopiëren. |
|
|
Is van toepassing op verschillende functies, afhankelijk van de situatie. |
|
|
Gebruik de knoppen |
|
|
Hiermee keert u terug naar het vorige scherm. |
|
|
Gaat branden wanneer zich in het geheugen van de printer ontvangen documenten bevinden die nog niet zijn afgedrukt of opgeslagen. |
|
|
Hiermee worden de oplossingen weergegeven wanneer u problemen ondervindt. |
|
|
Hiermee opent u het startscherm. |









om een menu te selecteren en druk op de knop 


